Wird geladen ...
Druckschrift
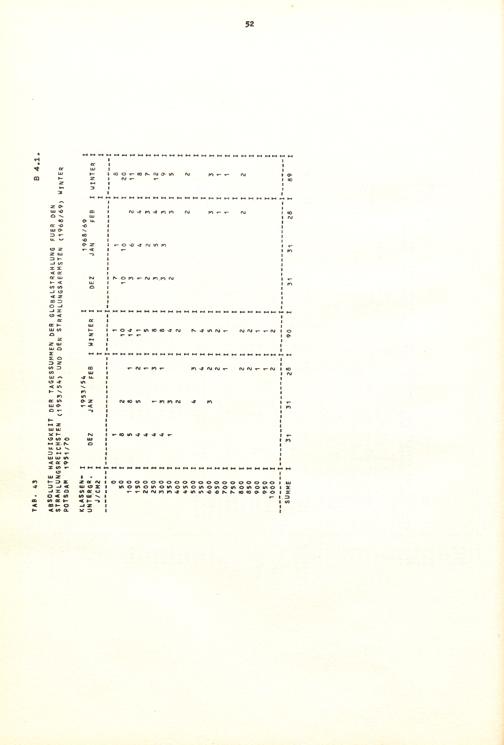
3 (1981) Sonnenstrahlung auf horizontalen Flächen / Wiss. Bearb.: W. Schoene ; ... / Meteorologischer Dienst der Deutschen Demokratischen Republik
Entstehung
Potsdam 1981
Seite
52
Einzelbild herunterladen
verfügbare Breiten